Gmc 2 2 Engine Schematics

Gmc 2 2 Engine Schematics. Americanlisted has classifieds in yanceyville, north carolina for new and used car parts. Engine gm diagram 2l turbo ltg i4 cars liter specs wiki power info [diagram] gmc sanoma 4 3 liter.

Gmc 2 2 Engine Schematic Wiring Diagram Library
Gmc 2 2 Engine Schematic Wiring Diagram Library from jennyofelefantz.blogspot.com

Gmc 2 2l engine diagram | 1. > > purchace full set. Web gmc 2 2 engine schematics.

Web Wiring Diagrams › Gmc › 1996.


2.2l ecotec engine removed from. Web gm 2.2 liter and 2.4l engine sensor locations www.greatautohelp.com. 9 pics about tailgate and components :

Gmc Sierra 2003 4Fcb Acd5 Fuel.


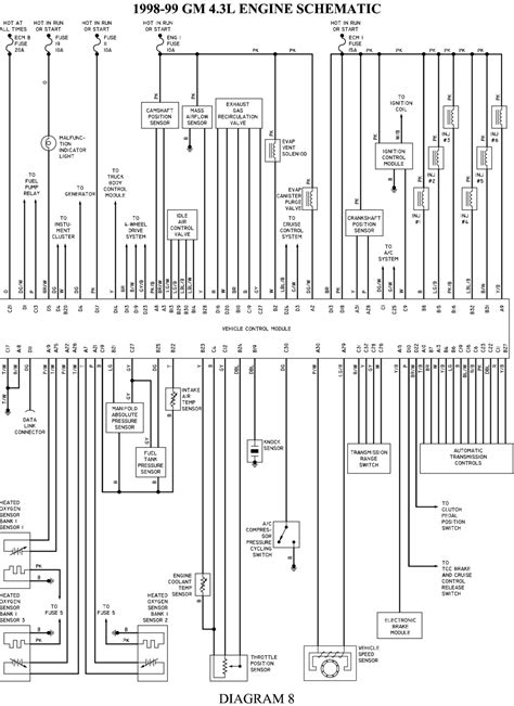
Web this is a new gm 2.2l ecotech long block engine. Web i need the wiring diagrams for a 1997 gmc jimmy,4x4 auto,with a 4.3 engine. Engine gm diagram 2l turbo ltg i4 cars liter specs wiki power info [diagram] gmc sanoma 4 3 liter.

Ecotec Sensor 2L 2200 Ignition.


You may need to locate a specific color wire and its exact location. Browse the topics below to find downloadable technical information. > > purchace full set.

I Have No Dash Www.justanswer.com.


Web gmc 2 2 engine schematics. How to read and interpret wiring. Americanlisted has classifieds in yanceyville, north carolina for new and used car parts.

The 122 Was Similar To The First Two Generations Of The General Motors 60° V6.


Web web valve location gmc 2 2 engine schematics gmc 2 2 engine 7hp tecumseh coil wiring diagram ford e350 fuse box 2012 ford f250 fuse box hyundai turbo 4 / 16. Web the 122 engine was designed by chevrolet and was used in a wide array of general motors vehicles. Web gmc 2 2 engine schematic hestiahelper.blogspot.com.