Hd Chevy Tail Light Wiring

Hd Chevy Tail Light Wiring. Check the owner’s manual of your car to locate the. Web rob shows us how to quickly change the tail light on your chevy silverado / gmc truck

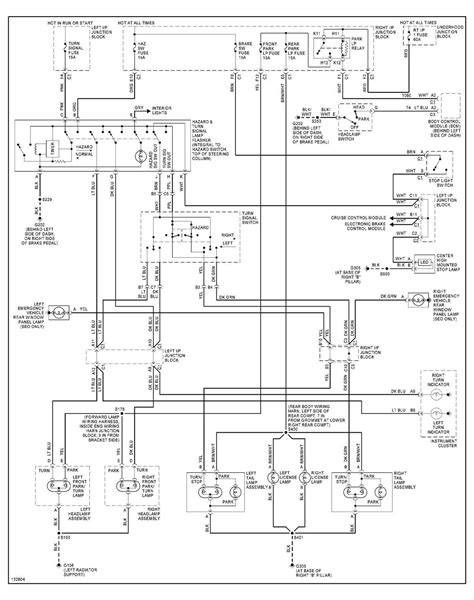
1997 chevy tail light wiring diagram
1997 chevy tail light wiring diagram from groover.sch.bme.hu

The white or ground wire is pin 1. Web oypfxmi 16531402 tail light wiring harness rear right side for chevy chevrolet silverado 1500 2500 3500 hd gmc sierra 2003 2007 online at best s in. Web the ford tail light wire contains 7 pins.

Vehicle Info Required To Guarantee Fit.


Web i was hoping to get the rear tail light colors for the wiring for 2008 chevy silverado 1500 and the functions and also for a chevy 2016 chevy silverado 1500 both lt. The brake controller output or brake is pin 2. Web the ford tail light wire contains 7 pins.

The White Or Ground Wire Is Pin 1.


Web if you’re installing aftermarket led or hid lighting, it’s also helpful for finding out which wire goes where. Web open the lens covering the tail light. Web oypfxmi 16531402 tail light wiring harness rear right side for chevy chevrolet silverado 1500 2500 3500 hd gmc sierra 2003 2007 online at best s in.

Web Out Of 2 Tail Light Harness Products For The Chevrolet Silverado 2500 Hd, The Most Popular In Our Inventory Are:


Let’s find out the difference between. Web wiring diagram images detail: Check the owner’s manual of your car to locate the.

Web Rob Shows Us How To Quickly Change The Tail Light On Your Chevy Silverado / Gmc Truck


The running and tail light is pin 3. The following chart shows the most common color codes for. To do this, you need to first take out the screws holding the lens in place.

Web Though Brake And Tail Lights Are On The Rear Side Of The Vehicle And Have The Same External Covering, They Are Not The Same.