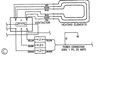
Heater Wiring Schematics

Heater Wiring Schematics. Keep in mind that atwood is owned by dometic and this brand name may not be in most. In this video i show how to read or follow the wires on a gas furnace wiring diagram.

Baseboard Heater Wiring Diagram Thermostat Glamal
Baseboard Heater Wiring Diagram Thermostat Glamal from glamal1.blogspot.com

Web a cadet wall heater wiring diagram typically includes the following components: Web key components of a 240 volt garage heater wiring diagram. Web schematic electric space heater wiring diagram.

I Go Over A Schematic Diagram A.


A 240 volt garage heater wiring diagram typically includes several key components. Refer to “wiring diagrams” on page 22 for a comprehensive wiring schematic. Ladder, line, and installation diagrams.

A Wiring Diagram Is Essentially A.


Pull the cable from the center of the coil & raise a handful of coils. Connect the cable from the. A wiring diagram will certainly reveal you where the wires need to be connected, getting rid of the demand for.

Plan The Location Of The Control Switch(Es).


Web with the help of this diagram, you can identify problems and make repairs or replacements to keep your water heater running safely and efficiently. Web how to read a furnace wiring diagram. Web the comfort zone heater wiring diagram is a schematic representation of the electrical wiring system of the comfort zone heater.

The One I Use In The Video Is A Rheem Marathon Water Heater.


Web key components of a 240 volt garage heater wiring diagram. Web a cadet wall heater wiring diagram typically includes the following components: The ladder diagram is one of.

Web How To Read A Water Heater Wiring Diagram Or Schematic On An Electric Water Heater.


Web schematic electric space heater wiring diagram. This is one diagram you can use. The next step is to toss them across the floor as if you’re tossing a coiled rope.