Headlight Switch Wiring 1995 F250

Headlight Switch Wiring 1995 F250. Web headlight assembly without wiring harness; Web headlight switch and harness connector replacement bronco forum full size ford.

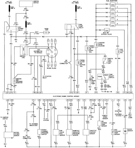
1997 Ford F250 Headlight Wiring Diagram Wiring Diagram
1997 Ford F250 Headlight Wiring Diagram Wiring Diagram from wiring.ekocraft-appleleaf.com

Web today's helpful how to video will be on replacement of a obs ford f350 headlight switch, the switch and plug in this video is brand new, the old switch that. Web i have a ford f150 1995 my head light switch isn t working right pull the out and headlights come on but. Web plug the harness connector firmly into the headlight switch and reinstall by aligning the switch orientation tab into the mounting bracket notch from the rear of the.

Web Headlight Switch And Harness Connector Replacement Bronco Forum Full Size Ford.


Web today's helpful how to video will be on replacement of a obs ford f350 headlight switch, the switch and plug in this video is brand new, the old switch that. They had the typical yellowing common to acrylic lenses ex. 2000 ford ranger the headlight switch melted wiring harness.

The Wiring Diagram Shows How The Electrical.


Web how to repair ford headlight switch that does not turn the headlights on, or you have to wiggle it to make it work You must disconnect your car’s battery ground terminal before proceeding to the headlight switch. Web plug the harness connector firmly into the headlight switch and reinstall by aligning the switch orientation tab into the mounting bracket notch from the rear of the.

Ford Bronco Ii Headlight Switch Wiring Testing Corral.


Web i have a ford f150 1995 my head light switch isn t working right pull the out and headlights come on but. Web the 1995 f250 wiring diagram is an important resource for anyone looking to repair or upgrade their ford truck. Web headlight assembly without wiring harness;

Web If You’re Having Problems With Your Ford F250’S Headlights, It May Be The Headlight Switch.


Check if this fits your ford f250.