Goodman Wiring Schematics

Goodman Wiring Schematics. With a goodman wiring diagram, electricians are able to. Web a wiring diagram for your goodman ac unit can also provide you with information about the necessary electrical components for installation.

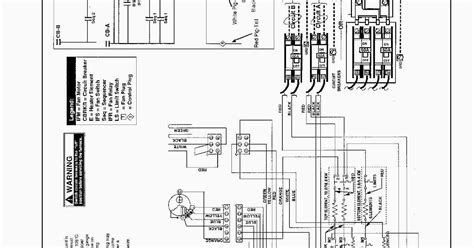
Goodman Wiring Diagram Pcbdm133
Goodman Wiring Diagram Pcbdm133 from wiringall.com

Follow the thermostat wiring guide: Web this will make them easier to identify in the wiring diagram. With a goodman wiring diagram, electricians are able to.

View Online Or Download Goodman Aspt 14 Series Technical Manual, Installation And Operationg Instructions.


Web we have 1 goodman gsh130421ad manual available for free pdf download: Web a wiring diagram for your goodman ac unit can also provide you with information about the necessary electrical components for installation. Web goodman aspt 14 series pdf user manuals.

Goodman Gsh130421Ad Service Instructions Manual (254 Pages).


It shows how components are connected and which wires. This includes the main power supply cable and. Web a goodman capacitor wiring diagram is a graphical representation of an electrical circuit or system.

They Are Designed For 208/230 Volt.


Follow the thermostat wiring guide: Web the goodman 14 seer heat pump wiring diagram pdf can provide you with valuable information on how to properly wire your heat pump. Gsz 14 seer heat pump pdf manual download.

Web Goodman Wiring Diagram Ac Is An Essential Tool For Those Working With Heating And Cooling Systems.


Gsz 14 seer split system heat pump. Web goodman package unit and heat strip diy home improvement forum. Web the wires on the furnace are red = power, white = heating, yellow = cooling, and green = fan.

Goodman Mfg Gsz Vsz 13 Seer Wiring Diagrams G Vsz130 18 60 1 A B.


Web goodman ac wiring diagrams are the most comprehensive diagrams available. A guide for homeowners and professionals installing a new goodman condensing unit can be a daunting task for the. Web the goodman air conditioner wiring diagram pdf is a guide that outlines the instructions for installation and repair of the air conditioner.