Gmc T6500 Engine Wiring

Gmc T6500 Engine Wiring. Orange car radio accessory switched. Web wiring gmc diagram t6500 components truck need ac izuzu isuzu.

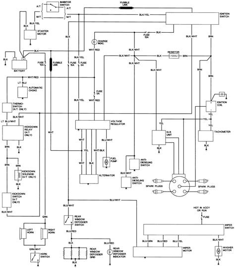
Need A/C wiring diagram for 99 GMC T6500 truck. Has Isuzu components
Need A/C wiring diagram for 99 GMC T6500 truck. Has Isuzu components from www.justanswer.com

Do anybody have engine management wiring diagram for. Gmc diagram brake auxiliary wiring 1999 system need enlarged. Best selection and lowest prices on operators manual, service repair manuals, electrical wiring.

1999 Gmc Sierra Truck Radio Wiring Guide Car Radio Battery Constant 12V+ Wire:


Buy online or at a local advance auto store today! Gmc diagram brake auxiliary wiring 1999 system need enlarged. Web original factory dealership manuals for gmc t6500 by diy repair manuals.

What Are You Working On Today?


Do anybody have engine management wiring diagram for. Web wiring gmc diagram t6500 components truck need ac izuzu isuzu. Gmc t6500 performance timing cover gasket.

Add Your Vehicle To Get An Exact Fit.


$800.00 add to cart 2005 gmc c6500 engine wiring harness. Best selection and lowest prices on operators manual, service repair manuals, electrical wiring. Web get the best deals on an aftermarket 2002 gmc t6500 wiring harness.

2002 Gmc T6500 All Submodels All.


Web gmc t6500 engine wiring 2002 gmc t6500 parts unit. Orange car radio accessory switched. Web engine wiring harness manufacturer:

Web Get Great Prices On Gmc T6500 Wire Connectors At Advance Auto Parts.


Web need a wiring diagram for the auxiliary brake system on a 1999 gmc t6500 www.justanswer.com. Web not a car, but a 1999 gmc t6500 box truck.