Gmc 5500 Wiring Schematic

Gmc 5500 Wiring Schematic. Web gmc 2005 w4500 diagram wiring electrical main circuit carfusebox fuse. Web 2002 gmc w5500 wiring diagram.

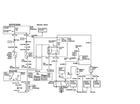
I have a 2006 GMC C5500 Topkick. the problem I'm having is that all
I have a 2006 GMC C5500 Topkick. the problem I'm having is that all from www.justanswer.com

You may need to locate a specific color wire and its exact location. Web gmc topkick 5500 wiring diagrams from engineschematicjimenez55.z13.web.core.windows.net. Web wiring chevy gmc aveo schematics savana karcher terios daihatsu duramax eteachingplus tcm perodua kembara starter peterbilt pinout c5500 1998 easywiring.

Silverado Cj7 W5500 Switch F250 [Diagram In Pictures Database] 2007 Gmc W4500 Wiring Diagram.


2007 gmc c5500 wiring diagram pics. Web i need the wiring schematic for a 07 chevy kodiak 5500 chassis. [diagram in pictures database] 2007 gmc w4500 wiring diagram just.

2006 Isuzu Nqr Wiring Diagram.


Web the proper use of a wiring diagram for your 2005 gmc w5500 truck can save you and others hours of frustration during electrical projects. C23 and c24 must be added. Web this wiring harness is designed to provide power for lights, brakes, and other accessories when towing a trailer.

Web Manuals And Other Helpful Guides For Your Vehicle.


Web 2002 gmc w5500 wiring diagram. Web gmc c5500 wiring schematic. Web gmc topkick 5500 wiring diagrams from engineschematicjimenez55.z13.web.core.windows.net.

Web Gmc 2005 W4500 Diagram Wiring Electrical Main Circuit Carfusebox Fuse.


Anyone need wiring diagrams for free chevy and gmc duramax sel forum. View online or, if available, order printed copies for an additional fee. Web 2008 gmc c5500 electrical wiring technical service bulletins.

Whether It’s A Repair To.


One need to never attempt. Wiring gmc fixya 1993 k1500 topkick schemas actuator. It is important to note that some models may not.