Gm Mirror Wiring

Gm Mirror Wiring. Web i do have a wiring diagram. Web you can order wiring harness on our website.

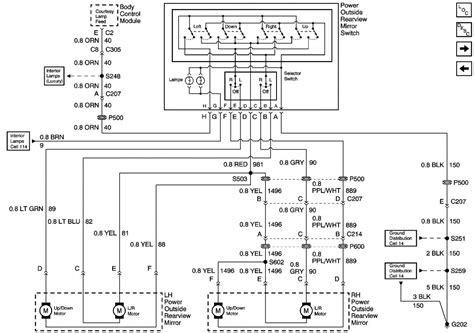
2003 Chevy Silverado Power Mirror Wiring Diagram Wiring Diagram
2003 Chevy Silverado Power Mirror Wiring Diagram Wiring Diagram from wiring.ekocraft-appleleaf.com

The main power for the mirror is supplied by the red wire. Web s10 rear view mirror wiring. The s10 rear view mirror wiring is a fairly simple circuit.

These Diagrams Include Detailed Instructions On.


Web in the case of gmc mirror wiring diagrams, the diagrams provide information about the wiring of the various components, including the power and ground. Web the gm tow mirror wiring diagram is a great resource because it provides clear instructions and diagrams that demonstrate proper wiring for your tow mirrors. Boost auto parts came to me with their kit and gave.

Direct Message Me If You'd Like It.


How to chevy tow mirror. Web 2007 2013 gmc chevy tow mirrors reverse dome light wiring silverado and sierra forum. Web i do have a wiring diagram.

The Main Power For The Mirror Is Supplied By The Red Wire.


Web s10 rear view mirror wiring. Web this video details the install of boost auto wiring kit part number 1846 which adds the missing wires to your gm door harness for upgrading from small mirror. Web the process of installing a gmc mirror wiring diagram can vary pretty drastically depending on the model and manufacturer of your car.

This Should Include Not Only.


The s10 rear view mirror wiring is a fairly simple circuit. With out any power options or factory wiring. This how to will get you mo.

Web You Can Order Wiring Harness On Our Website.


Web not sure if you want running lights or turn signals on the front of your new style mirrors? Web how to install turn signal mirrors, with wiring in a chevy silverado or gmc sierra. 02 power mirrors on a 97 wiring help blazer forum chevy.