Gm Engine Wiring Diagram

Gm Engine Wiring Diagram. Tps wiring differs between series 1 and series 2. Web unlocking the power of gm's ls3 crate engine with a wiring diagram.

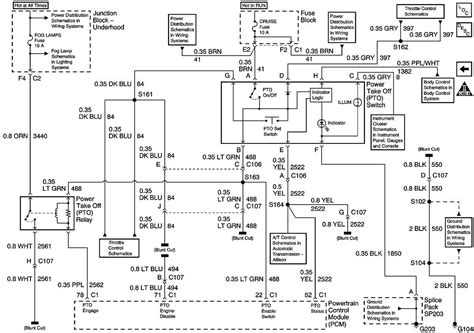
95 Chevy K1500 Engine Wiring Diagram Wiring Diagram and Schematic
95 Chevy K1500 Engine Wiring Diagram Wiring Diagram and Schematic from wiring.hpricorpcom.com

Depending on the year, model and engine of your gm vehicle, your. Tps wiring differs between series 1 and series 2. Click the “view more” button, and then click “vehicle repair guides.” select the chapter ” wiring diagrams.

View Online Or, If Available, Order Printed Copies For An Additional Fee.


The basic colors are black, red, white, and yellow. Web get to know your truck’s wiring add your vehicle in manage my vehicles. Web the throttle body wiring diagram is an important part of a vehicle’s engine control system.

Click The “View More” Button, And Then Click “Vehicle Repair Guides.”.


The gm ls3 crate engine is a powerhouse. Web unlocking the power of gm's ls3 crate engine with a wiring diagram. Web if you’re in the market for a new gm wiper motor, but aren’t sure which wire colors to look for, this wiring diagram should help.

You May Need To Locate A Specific Color Wire And Its Exact Location.


Manuals and other helpful guides for your vehicle. Web add your vehicle in manage my vehicles. Web click on the image here to pull up a pdf of a typical gm starting system wiring diagram.

Depending On The Year, Model And Engine Of Your Gm Vehicle, Your.


It shows how the components in the system interact with each other and. Click the “view more” button, and then click “vehicle repair guides.” select the chapter ” wiring diagrams. Browse the topics below to find downloadable technical information.

Tps Wiring Differs Between Series 1 And Series 2.


Web when you are doing a build with the ls family of gm engines, the idea is to end up with a simplified engine harness that only needs a minimum number of.